Задвижка клиновая с рубашкой обогрева: размеры, давление, стандарты
Размеры, DN: 15 - 400
Давление: Class 150 - 2500
Стандарты: ASME B16.34, DIN 3352
- Описание
- Характеристики
- Оплата и доставка
Задвижка клиновая с рубашкой обогрева: характеристики, особенности, рабочие условия
Задвижка клиновая с рубашкой обогрева – это запорная арматура, предназначенная для работы с высоковязкими, кристаллизующимися или застывающими средами в технологических трубопроводах. Конструкция соответствует стандартам ASME B16.34 и DIN 3352, что гарантирует ее работоспособность под давлением и в заявленном температурном диапазоне. Основное функциональное отличие – наличие внешней рубашки (кожуха) для циркуляции теплоносителя, предотвращающего застывание транспортируемого продукта внутри корпуса и затвора задвижки.
Конструкция и принцип работы обогрева
Рубашка обогрева представляет собой герметичную полость, окружающую корпус задвижки. Конструкция предусматривает патрубки для подачи и отвода теплоносителя (пара, горячей воды, термального масла или электронагревательных элементов). Это обеспечивает:
-
поддержание температуры продукта выше точки его застывания или кристаллизации;
-
сохранение полной работоспособности затвора в условиях низких окружающих температур;
-
предотвращение закупорки проходного канала и заклинивания клина.
Материалы и технические характеристики задвижки с рубашкой обогрева
Корпус и крышка изготавливаются из углеродистой стали. Для обеспечения износостойкости и герметичности в условиях абразивных сред или высоких температур на посадочные поверхности седел выполняется наплавка стеллитом (твердым сплавом на основе кобальта). Клиновой затвор из углеродистой стали обеспечивает надежное перекрытие потока.
Основные характеристики:
-
диапазон рабочих температур транспортируемой среды: от –29 °C до 425 °C.
-
фланцевые присоединения соответствуют стандарту EN 1092-1 (тип B1);
-
испытания проводятся по стандарту EN 12266-1/2 на герметичность и прочность.
Области применения
Задвижка с рубашкой обогрева применяется на трубопроводах для транспортировки сред, требующих постоянного поддержания температуры:
-
нефтеперерабатывающая и нефтехимическая промышленность: линии мазута, битума, гудрона, тяжелых нефтепродуктов;
-
химическая промышленность: трубопроводы расплавов серы, полимеров, отдельных видов смол и удобрений;
-
топливно-энергетические комплексы: системы подачи высоковязкого печного топлива;
-
пищевая промышленность: линии растительных масел, жиров, патоки и других вязких пищевых продуктов.
Использование задвижек с обогревом исключает простои технологических линий, вызванные затвердеванием продукта, и обеспечивает стабильную работу запорной арматуры в сложных климатических условиях.
Где купить задвижку клиновую с рубашкой обогрева в Узбекистане по выгодной цене
В ЕМК QAZAQ вы можете заказать и купить клиновую задвижку с рубашкой обогрева с быстрой доставкой по Узбекистану. Мы выполняем комплексные поставки трубопроводной арматуры, готовых узлов и комплектующих. Чтобы узнать цены и получить коммерческое предложение на клиновые задвижки, напишите нам в мессенджере, оставьте заявку на сайте или закажите звонок.
| Рабочая температура |
От -29° до 425° |
| Материалы клина |
Углеродистая сталь |
| Материалы корпуса | Углеродистая саль + стеллитовая наплавка |
| Стандарт испытания | EN 12266-1/2 |
| Размеры конца фланца | EN 1092-1/B1 |


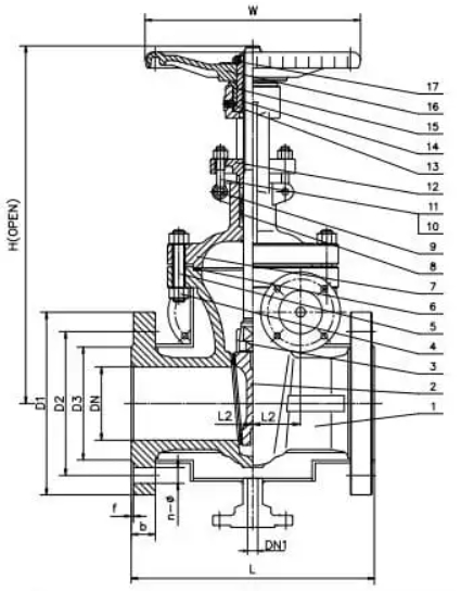
| № | Наименование детали |
Материал |
|---|---|---|
| 1 | Корпус | ASTM A216 WCB+STL |
| 2 | Клин | ASTM A216 WCB+13Cr |
| 3 | Шток | ASTM A182 F6a |
| 4 | Болт | ASTM A193 B7 |
| 5 | Прокладка | SS304+гибкий графит |
| 6 | Крышка | ASTM A216 WCB |
| 7 | Уплотнение | Гибкий графит |
| 8 | Штифт | ASTM A193 B7 |
| 9 | Рым-гайка | ASTM A193 B7 |
| 10 | Контргайка | ASTM A194 2H |
| 11 | Сальник | ASTM A216 WCB |
| 12 | Ниппель | Сплав меди |
| 13 | Гайка штока | Чугун + N |
| 14 | Контргайка | AISI 1035 |
| 15 | Ручка | Чугун |
| 16 | Контргайка | AISI 1035 |
| 17 | Шайба | Углеродистая сталь |
| 18 | Крышка | ASTM A216 WCB |
| 19 | Болт | ASTM A193 B7 |
| 20 | Гайка | ASTM A194 2H |
"ЕМК STEELTRADE" напрямую сотрудничает с производителями и гарантирует качество поставляемого проката и его соответствие нормам регламентирующего стандарта.
Мы рады предложить вам следующие условия оплаты для вашего заказа:
-
Предоплата. Полная оплата должна быть завершена до начала производства/поставки.
-
Оплата по факту поставки: Сумма заказа должна быть оплачена в течение определенного срока, заключенного в договоре между двумя сторонами, после фактической поставки товаров/оказания услуг.
-
Отсроченная оплата. Мы предоставляем вам возможность отсрочки оплаты на срок, заключенный в договоре между двумя сторонами, после даты выставления счета.
-
Аккредитив. Мы готовы принять оплату через банковский аккредитив по условиям, согласованным сторонами.
На сегодняшний день наша компания реализует следующие способы транспортировки:
-
Автоперевозки (тентованные фуры, негабаритные платформы, телескопические платформы, трубовоз, пирамиды)
-
Железнодорожная доставка (контейнеры 20’,40’,45’ DC, HQ, платформы для негабаритных по ширине и длине грузов, вагоны разных типов
- Морские перевозки (контейнеры 20’,40’,45’ DC, HQ, OT, балком на судне)
- Авиаперелеты. Доставка регулярными и чартерными рейсами (генеральные, попутные, сборные отправки)
Преимущества нашей логистики:
- Отгрузка металлопроката осуществляется круглый год вне зависимости от погодных условий
- Материал не подвергается воздействиям окружающей среды
- Расположение складов и мест хранения